FreeCADに少し慣れてきたような気がしてきたので、DIY用途を想定して何か書いてみようと思ったのだった。
部品の形状も点数もほどよい感じの下記の棚を作ってみることにする。

1×6材(700mm)
直方体なので簡単です。
- 新規作成、Part Design ワークベンチに切り替える。
- ボディーを作成
- XY平面でスケッチを作成
- 1×6材の断面(19mm×140mm)の長方形を原点を中心に書く。

- スケッチを閉じて、Pad機能 で700mm押し出して直方体を作成する。

棚板に相当する部品ができたので保存。Fillet 処理などすると見栄えが良くなるけど、組立工程でごちゃごちゃしないように現時点ではこのままとしておく。
2×6材(2350mm)
棚板と同じように側板も作成する。
- 新規作成、Part Design ワークベンチに切り替える。
- ボディーを作成
- XY平面でスケッチを作成
- 2×6材の断面(38mm×140mm)の長方形を原点を中心に書く。
- スケッチを閉じて、Pad機能 で700mm押し出して直方体を作成する。
- 保存。

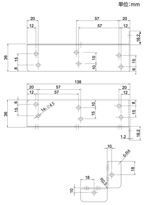
2×4材用ラクラク取付L字 バイ6用
取付L字金具を作る。商品名で画像検索すると詳細な図面が見つかったのでそれを参考にする。

- 新規作成、Part Design ワークベンチに切り替える。
- ボディーを作成
- XY平面でスケッチを作成
- 上の部分を書いてみる。板厚1.2mm、曲げ R0.5mm。なのでパラメトリック設計ということで式で 38-1.2-0.5=36.3mm、138-1.2-0.5=136.3mmと入力した。(オレンジ色表記)

- Pad で板厚1.2mm、逆方向に押し出します。
逆方向なのは組み立て時にXY平面にツーバイ材が面するときを想定してです。不要かもしれません。

- 次に耳を作成していく。
- Sheet Metal ワークベンチに切り替える。(拡張機能の追加でインストール必要)
- 耳をはやす面を選択して Make Wallボタンを押下する。

- 耳はトータルで18mm。
曲げR 0.5mm、板厚1.2mm であることから逆算して、18.2-1.2-0.5=16.5mmとした。


- Part Design ワークベンチに切り替える。
- 耳の側面を選択してスケッチを作成。

- 板から抜きたい部分(ネジ穴と角丸)を書く。

- スケッチを閉じ、Pocket で抜く。タイプは「最初まで」にしておくと板厚に影響を受けない。

- 次はもう一つの側を作る。
- 再び Sheet Metal ワークベンチに切り替える。
- 曲げる部分のラインを選択し Make Wall ボタンを押下。

- トータルで38mm。耳の部分と同じように考えて、曲げR 0.5mm、板厚1.2mm であることから逆算して、38-1.2-0.5=34.3mmとした。

- 同じように耳を作る。先ほどのパラメータと同じく、
曲げR 0.5mm、板厚1.2mm であることから逆算して、18.2-1.2-0.5=16.5mm。

- スケッチを作成し、板から抜きたい部分(ネジ穴と角丸)を書く。
- Pocket を押下。タイプは「最初まで」

- 先ほどの耳と同じようにトータルで18mm。
曲げR 0.5mm、板厚1.2mm であることから逆算して、18.2-1.2-0.5=16.5mmとした。 - スケッチを作成し、板から抜きたい部分(ネジ穴と角丸)を書く。
- Pocket を押下。タイプは「最初まで」

- 保存して完成。
次でアジャスターを書いていきます。